Arbeitsgemeinschaft Bayern (klassisch) im BDPh e.V. Arbeitsgemeinschaft Bayern (klassisch) im BDPh e.V.
  • Home
  • Wir über uns
    • Arbeitsgemeinschaft
    • Unsere Geschichte
    • Der Vorstand
    • Mitgliedschaft
    • Nachrichtenarchiv
    • Auszeichnungen
  • Rundbriefe
    • Rundbriefe aktuell
    • Portfolios
    • Rundbriefregister
    • Leseproben
    • Rundbrief Archiv
    • Hinweise für Autoren
  • Literatur
    • Literaturangebot
    • Bibliotheksverzeichnis
    • Bayerische Schmankerl
    • Pakettarife
    • Postverordnungen
    • Archiv für Postgeschichte in Bayern
  • Handbücher
    • Handbuch Dr. Helbig
    • Handbuch Holzmayr
    • Bahnpoststempel
    • Mühlradstempel
    • Bayerische Ganzsachen
    • Postablagen und Stempel der frühen Pfennigzeit
    • Zierstempel und kleine Einkreiser
    • Güterexpeditionsstempel
    • Zeitungsexpeditionsstempel
  • Weblinks
    • Weiterführende Seiten
    • Verordnungs- und Anzeige-Blätter
    • Bayerisches Postarchiv
    • Ortsverzeichnisse

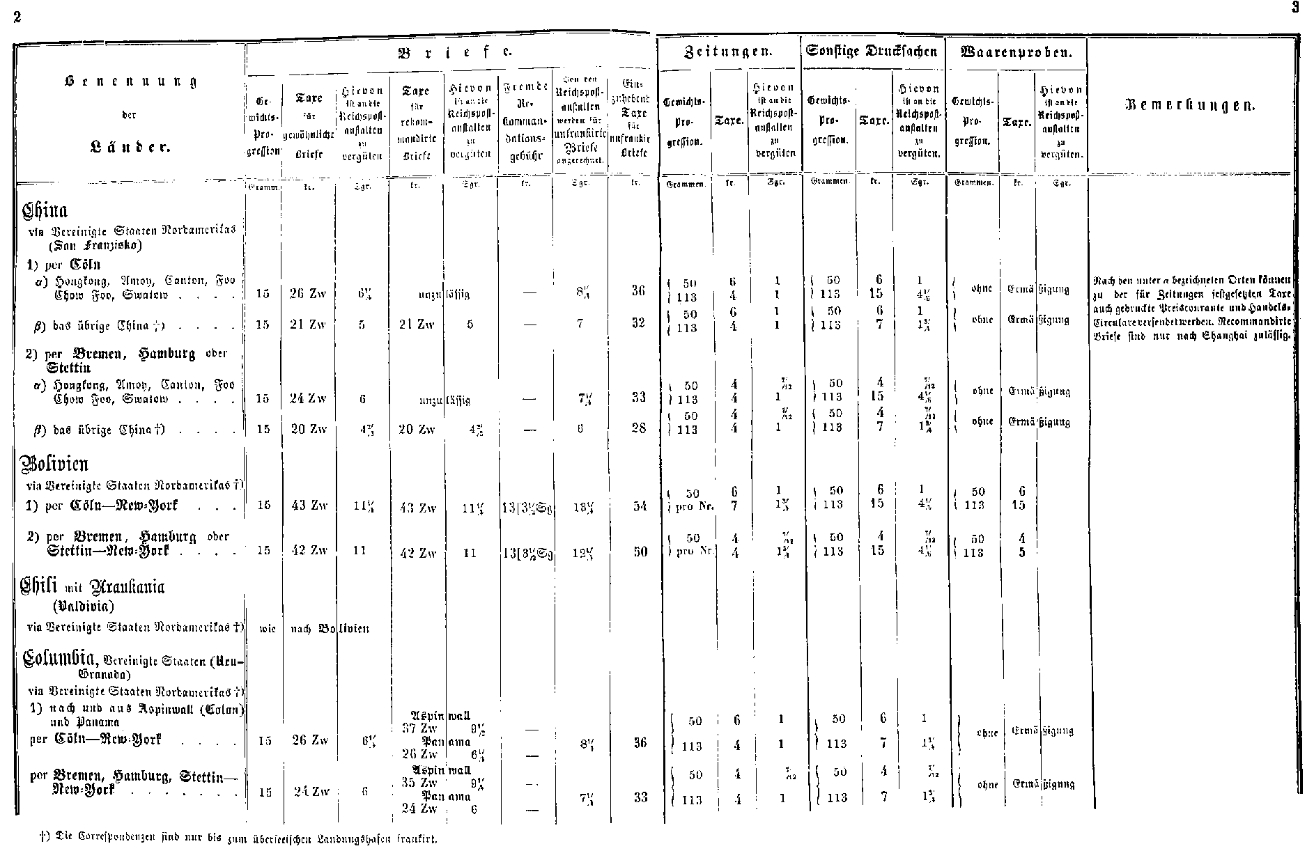
Postverordnungen - Briefposttarife Ausland

Transitgebühren
vo852_b224
Detail
vo852_b225
Detail
vo852_b226
Detail
vo854_b071
Detail
vo854_b072
Detail
vo854_b073
Detail
vo859_g160
Detail
vo865_d168
Detail
vo866_f313
Detail
vo866_f314
Detail
vo866_f315
Detail
vo866_f316
Detail
vo866_f317
Detail
vo866_f318
Detail
vo874_sh01.2804.01
Detail
vo874_sh01.2804.02
Detail
vo874_sh01.2804.05
Detail
vo874_sh01.2804.06
Detail
vo879_q242
Detail
vo880_d133
Detail
vo880_d153
Detail
vo880_h478
Detail
vo881_f108
Detail
vo881_k168
Detail
vo881_sc_43_28p
Detail
vo881_td422
Detail
vo883_h082
Detail
vo883_sh343
Detail
vo883_sh352
Detail
vo883_sp403
Detail
vo883_th480
Detail
vo883_tl516
Detail
vo884_d063
Detail
vo884_d129
Detail
vo884_d140
Detail
vo884_d151
Detail
vo884_d158
Detail
vo884_f192
Detail
vo884_h246
Detail
vo884_h258
Detail
vo884_h289
Detail
vo884_h370
Detail
vo884_h393
Detail
vo884_h440
Detail
vo884_l503
Detail
vo884_l556
Detail
vo884_l628
Detail
vo885_n163
Detail
vo885_r243
Detail
vo885_sh329
Detail
vo885_sq369
Detail
vo885_ta397
Detail
vo885_tc414
Detail
vo885_tc429
Detail
vo885_tn593
Detail
vo886_d027
Detail
vo888_xk691
Detail
vo889_m49.2709.01 b
Detail
vo889_m50.0410.01 b
Detail
vo889_m60.1112.01 b
Detail
vo890_g03.1801.02 b
Detail
vo890_g12.1803.02 b
Detail
vo890_g14.2703.01 b
Detail
vo890_g16.1904.02 b
Detail
vo890_g22.2705.01 b
Detail
vo890_g25.0807.01 b
Detail
vo890_g30.0608.01 b
Detail
vo890_h32.2108.01 b
Detail
Title
 
Powered by Phoca Gallery
  • Impressum
  • Datenschutz
  • Mitglieder

© ArGe Bayern (klassisch) e.V. 2026

  • Home
  • Wir über uns
    • Arbeitsgemeinschaft
    • Unsere Geschichte
    • Der Vorstand
    • Mitgliedschaft
    • Nachrichtenarchiv
    • Auszeichnungen
  • Rundbriefe
    • Rundbriefe aktuell
    • Portfolios
    • Rundbriefregister
    • Leseproben
    • Rundbrief Archiv
    • Hinweise für Autoren
  • Literatur
    • Literaturangebot
    • Bibliotheksverzeichnis
    • Bayerische Schmankerl
    • Pakettarife
    • Postverordnungen
    • Archiv für Postgeschichte in Bayern
  • Handbücher
    • Handbuch Dr. Helbig
    • Handbuch Holzmayr
    • Bahnpoststempel
    • Mühlradstempel
    • Bayerische Ganzsachen
    • Postablagen und Stempel der frühen Pfennigzeit
    • Zierstempel und kleine Einkreiser
    • Güterexpeditionsstempel
    • Zeitungsexpeditionsstempel
  • Weblinks
    • Weiterführende Seiten
    • Verordnungs- und Anzeige-Blätter
    • Bayerisches Postarchiv
    • Ortsverzeichnisse